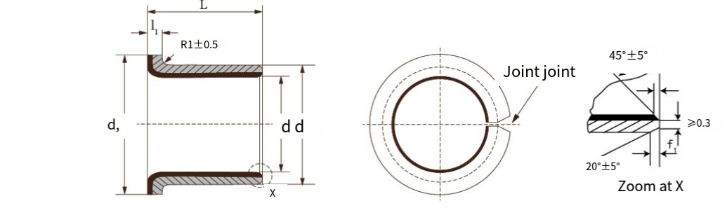
ইউনিট: মিমি
| খাদ দিয়া। চ7 | হাউজিং H7 | কোড নম্বর | আকার | চ 1 | চ 2 | ||||
| d₁ | d₂ | d₃ ±0.25 | L±0.25 | C₁-0.2 | |||||
| -0.013 6 -0.028 | 8 0.015 | 06040 | 6 | 8 | 12 | 4 | 1 | 0.6 | 0.3 |
| 06070 | 7 | ||||||||
| -0.013 8 -0.028 | 10 0.015 | 08055 | 8 | 10 | 15 | 5.5 | |||
| 08075 | 7.5 | ||||||||
| -0.016 10 -0.034 | 12 0.018 | 10070 | 10 | 12 | 18 | 7 | |||
| 10090 | 9 | ||||||||
| 10120 | 12 | ||||||||
| -0.016 12 -0.034 | 14 0.018 | 12070 | 12 | 14 | 20 | 7 | |||
| 12090 | 9 | ||||||||
| 12120 | 12 | ||||||||
| -0.016 14 -0.034 | 16 0.018 | 14120 | 14 | 16 | 22 | 12 | |||
| 14170 | 17 | ||||||||
| -0.016 15 -0.034 | 17 0.018 | 15090 | 15 | 17 | 23 | 9 | |||
| 15120 | 12 | ||||||||
| 15170 | 17 | ||||||||
| -0.016 16 -0.034 | 18 0.018 | 16120 | 16 | 18 | 24 | 12 | |||
| 16170 | 17 | ||||||||
| -0.016 18 -0.034 | 20 0.021 | 18120 | 18 | 20 | 26 | 12 | |||
| 18170 | 17 | ||||||||
| 18200 | 20 | ||||||||
| -0.020 20 -০.০৪১ | 23 0.021 | 20115 | 20 | 23 | 30 | 11.5 | 1.5 | 0.6 | 0.4 |
| 20165 | 16.5 | ||||||||
| 20215 | 21.5 | ||||||||
| -0.020 22 -০.০৪১ | 25 0.021 | 22150 | 22 | 25 | 32 | 15 | |||
| 22200 | 20 | ||||||||
| -0.020 25 -০.০৪১ | 28 0.021 | 25115 | 25 | 28 | 35 | 11.5 | |||
| 25165 | 16.5 | ||||||||
| 25215 | 21.5 | ||||||||
| -0.025 30 -0.050 | 34 0.025 | 30160 | 30 | 34 | 42 | 16 | 2 | 1.2 | 0.4 |
| 30260 | 26 | ||||||||
| -0.025 35 -0.050 | 39 0.025 | 35160 | 35 | 39 | 47 | 16 | |||
| 35260 | 26 | ||||||||
| -0.025 40 -0.050 | 44 0.025 | 40260 | 40 | 44 | 53 | 26 | |||
| 40400 | 40 | ||||||||

আমরা কাজের দিনের 12 ঘন্টার মধ্যে আপনাকে উত্তর দেব।
Huazhou বৃহৎ ব্যাপক উদ্যোগগুলির মধ্যে একটি হিসাবে স্ব-তৈলাক্ত ভারবহন পণ্য গবেষণা এবং উন্নয়ন, উত্পাদন, বিক্রয় এবং পরিষেবাতে বিশেষজ্ঞ।
Huazhou উচ্চ-সম্পন্ন R&D সরঞ্জাম এবং কর্মীদের দিয়ে সজ্জিত, এবং কয়েলিং মেশিন, পাঞ্চিং মেশিন, সম্পূর্ণ স্বয়ংক্রিয় চ্যামফারিং মেশিন, সম্পূর্ণ স্বয়ংক্রিয় কয়েলিং মেশিন, কাঁচামাল সিন্টারিং লাইন ইত্যাদি সহ বিভিন্ন আকারের 200 টিরও বেশি সরঞ্জাম রয়েছে। এটি হাজার হাজার পণ্যের উৎপাদন ক্ষমতার সাথে সজ্জিত এবং নতুন সরঞ্জামের সেটে পৌঁছেছে। উচ্চতা নমুনাগুলি 3 দিনের মধ্যে উত্পাদিত হয়, যার দৈনিক আউটপুট 500000 টুকরা এবং শত শত মিলিয়ন টুকরা বার্ষিক আউটপুট।
260 টিরও বেশি বিশেষ সরঞ্জামের প্রবর্তন, হাজার হাজার ছাঁচে সজ্জিত, 150 টিরও বেশি পেশাদার এবং 30টি স্বয়ংক্রিয় উত্পাদন লাইন।
চীনের বিভিন্ন প্রদেশে আমাদের পণ্য বিক্রয়, এবং বিভিন্ন যন্ত্রপাতি শিল্প, ভক্সওয়াগেন, বিওয়াইডি, ইত্যাদিতে ব্যাপকভাবে ব্যবহৃত হয় এবং আন্তর্জাতিক মানের সাথে রাশিয়া, মালয়েশিয়া, তাসানিয়া, ইরাক, রোমানিয়া এবং অন্যান্য 16 টি দেশে রপ্তানি হয়।
