HZ-GFM ফ্ল্যাঞ্জড বিয়ারিং রেডিয়াল লোড ক্ষমতাকে অক্ষীয় প্রান্তিককরণ নিয়ন্ত্রণের সাথে একত্রিত করে, এর সমন্বিত ফ্ল্যাঞ্জ ডিজাইনের জন্য ধন্যবাদ। তাপ-স্থিতিশীল পলিমার থেকে তৈরি, এটি স্বয়ংচালিত সংযোগ, এইচভিএসি ড্যাম্পার, বা উপাদান হ্যান্ডলিং সিস্টেমে বিরতিহীন শক লোড এবং মিসলাইনমেন্ট সহ্য করে।
মূল বৈশিষ্ট্য
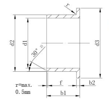
ফ্ল্যাঞ্জ ডিজাইন: অক্ষীয় প্রবাহ রোধ করে; নরম-উপাদানের হাউজিংগুলিতে মাউন্ট করা সহজ করে।
উপাদান: উন্নত তাপমাত্রা প্রতিরোধের জন্য গ্লাস-ফাইবার-রিইনফোর্সড PA66 বা PEEK (180°C পর্যন্ত স্বল্পমেয়াদী)।
ইনস্টলেশন: দ্রুত সমাবেশের জন্য প্রেস-ফিট সরঞ্জামগুলির সাথে সামঞ্জস্যপূর্ণ (যেমন, PT-1350 সিরিজ)।
অ্যাপ্লিকেশন: পাম্প হাউজিং, বৈদ্যুতিক অ্যাকচুয়েটর গাইড, এবং কনভেয়র রোলারগুলির জন্য দ্বৈত-দিকনির্দেশক স্থিতিশীলতা প্রয়োজন৷















